B—sports必一机械,大家都在买的超值刀具
  • MCD-Capto端面槽刀
  • MCD-Capto端面槽刀
  • MCD-Capto端面槽刀
  • MCD-Capto端面槽刀

MCD-Capto端面槽刀

Capto全系列内冷高压槽刀

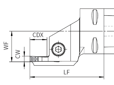
上压式夹紧可靠,高压内冷充分冷却,快换式接口夹持稳定,机械手换刀高效省时。
联系电话:18706856083

全国热线

400-029-2733

产品简介 / Introduction

222

111

444

333

全国服务热线

400-029-2733